Manuel D'entretien Tracteur Massey Ferguson, Catalogue De Pièces Détachées, Manuel Atelier
Disponibile
Disponibile
€ 37
AGGIUNGI AL CARRELLO
Consegna
- Corriere espressoda giovedì 19 febbraioGRATIS
Venduto e spedito da ePRICE

Altri 22 venditori a partire da € 49
- Informazioni legali
- Ne hai uno da vendere?
- 794645
- 35937095267
Pensati per Te
Prodotti simili
Descrizione
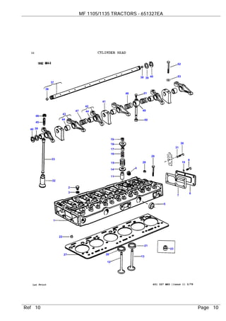
Manuale Stampa Originale Manuel D'entretien Tracteur Massey Ferguson, Catalogue De Pièces Détachées, Manuel Atelier Manuale Trattore 1105 1135 Clear pictures, heavy text. Model Year: All Years, Brand: Peaceful Creek Manuale dei pezzi di ricambio per trattori Massey Ferguson Mf 1105 Easy to read and use., ”, Part Type: Manual, Type: Manual, Model: 1105 1135 Note del venditore: “New print of the Original Equipment Manufacturers (OEM) manual. MF 1105 1135 1155 Manuale operativo del trattore per MF1105 MF1155 Servizio Manutenzione e riparazione. € 26,28...Caratteristiche e scheda tecnica
Caratteristiche principali
- EAN9014654756801
Recensioni
2026-02-18 | t7xceaj


















