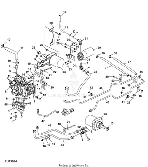
John Deere 997 Mid-Mount Mower ZTrak With 72-IN Deck -PC9477 Fuel Injection Pump - 030100: Fuel & Air
Disponibile
Disponibile
€ 15
AGGIUNGI AL CARRELLO
Consegna
- Corriere espressoda venerdì 20 marzoGRATIS
Venduto e spedito da ePRICE

Altri 10 venditori a partire da € 15
- Informazioni legali
- Ne hai uno da vendere?
- 673090
- 16323442970
Pensati per Te
Prodotti simili
Descrizione
Questo oggetto potrebbe essere stato usato come modello nel negozio o acquistato e poi restituito al venditore. Filtro John Deere M653 M665 Filtro Carburante Per Tosaerba John Deere ZTrak - Compatibile Con Modelli M653, M655, M665, 737, 757 Trattorino Tagliaerba John Deere Manuale Diagnostica Trattorini John Deere John Deere 997 Mid-Mount Mower ZTrak With 72-IN Deck -PC9477 Fuel Injection Pump - 030100: Fuel & Air Guida Officina John Deere Mid-Mount John Deere 997 Mid-Mount Mower ZTrak With 60-IN Rear, 43% OFF Un oggetto con alcuni segni di deterioramento dovuti all'uso ma in buono stato di funzionamento.Caratteristiche e scheda tecnica
Caratteristiche principali
- EAN3438827633823
Recensioni
2026-03-18 | wi62qfg

















