OSPC 80 Unità Di Controllo Dello Sterzo Con Orbitrol 150 N2150
Disponibile
Disponibile
€ 64
AGGIUNGI AL CARRELLO
Consegna
- Corriere espressoda martedì 10 febbraioGRATIS
Venduto e spedito da ePRICE

Altri 9 venditori a partire da € 66
- Informazioni legali
- Ne hai uno da vendere?
- 688188
- 37026489297
Pensati per Te
Prodotti simili
Descrizione
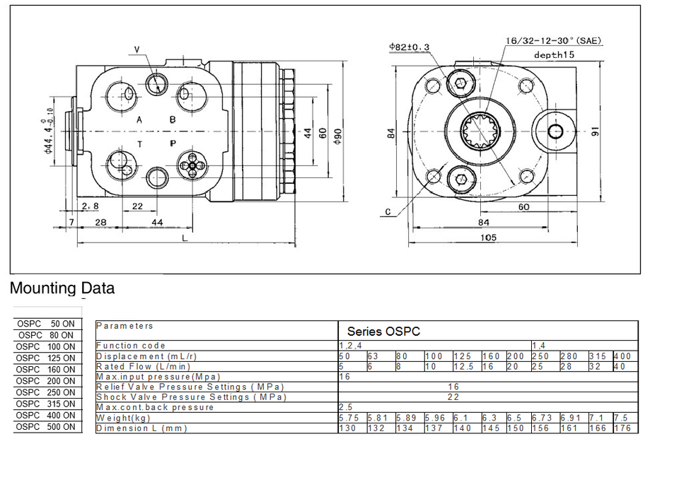
Danfoss 150N2150 OSPC 80 Unità Di Controllo Dello Sterzo Con Orbitrol 150 N2150 Valvola Danfoss 150N2150 La confezione deve essere la stessa che si può trovare in negozio, a meno che l'oggetto non sia stato confezionato dal produttore in una confezione anonima, come una busta di plastica o una scatola senza stampa. Compatible Equipment Make: Universal, MPN: ORBITROL ON 80 ORBITROL STERZO PER JOHN DEERE AL114630 Per ulteriori dettagli vedi l'inserzione., Brand: Perfect Hydraulic Nuovo: Oggetto nuovo, non usato, non aperto, non danneggiato, nella confezione originale (ove la confezione sia prevista). OSPC 80 unità di controllo dello sterzo con Orbitrol 150 n2150 valvola 80N espansione pompa a pistone-usato sostituisce SauerCaratteristiche e scheda tecnica
Caratteristiche principali
- EAN9800147440735
Recensioni
2026-02-03 | ycz8nzt
















