Motoriduttore 12 V 30 RPM Motore DC Mini RK-370SD Ad Alta Velocità 12000 RPM - Alimentazione 3V-12V Per Progetti Fai-da-te, Auto E Barche Giocattolo Motore Per Auto Giocattolo Fai Da Te
Disponibile
Disponibile
€ 2.36
AGGIUNGI AL CARRELLO
Consegna
- Corriere espressoda venerdì 27 febbraioGRATIS
Venduto e spedito da ePRICE

Altri 15 venditori a partire da € 3
- Informazioni legali
- Ne hai uno da vendere?
- 528283
- 50006465392
Pensati per Te
Prodotti simili
Descrizione
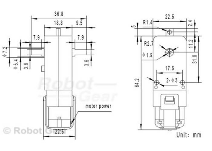
Motore Per Robot Fai Da Te Motoriduttore 12 V 30 RPM Motore DC Mini RK-370SD Ad Alta Velocità 12000 RPM - Alimentazione 3V-12V Per Progetti Fai-da-te, Auto E Barche Giocattolo Motore Per Auto Giocattolo Fai Da Te Micro Motore Doppio Albero 5V Nuovo: Oggetto nuovo, non usato, non aperto, non danneggiato, nella confezione originale (ove la confezione sia prevista). La confezione deve essere la stessa che si può trovare in negozio, a meno che l'oggetto non sia stato confezionato dal produttore in una confezione anonima, come una busta di plastica o una scatola senza stampa. Motore di riduzione CC TT motore 130 ruota del ... - Alibaba MOTORE PASSO-PASSO L298N DC robot auto intelligente doppio ponte H per... Per ulteriori dettagli vedi l'inserzione. Special Motor Construction: Explosion-Proof Motor, Brand: Unbranded, Base RPM: 48RPM Country/Region of Manufacture: China, Current Type: DC Nominal Rated Input Voltage: 5V, 3 V, 6 V, UPC: Does not applyCaratteristiche e scheda tecnica
Caratteristiche principali
- EAN9131215797209
Recensioni
2026-02-20 | 8uiyqgt

















