10Pcs SH T8011 Lever 6Pin ON-ON 2-Position DPDT Toggle Switch
Disponibile
Disponibile
€ 6
AGGIUNGI AL CARRELLO
Consegna
- Corriere espressoda martedì 10 febbraioGRATIS
Venduto e spedito da ePRICE

Altri 18 venditori a partire da € 7
- Informazioni legali
- Ne hai uno da vendere?
- 178324
- 74979002436
Pensati per Te
Prodotti simili
Descrizione
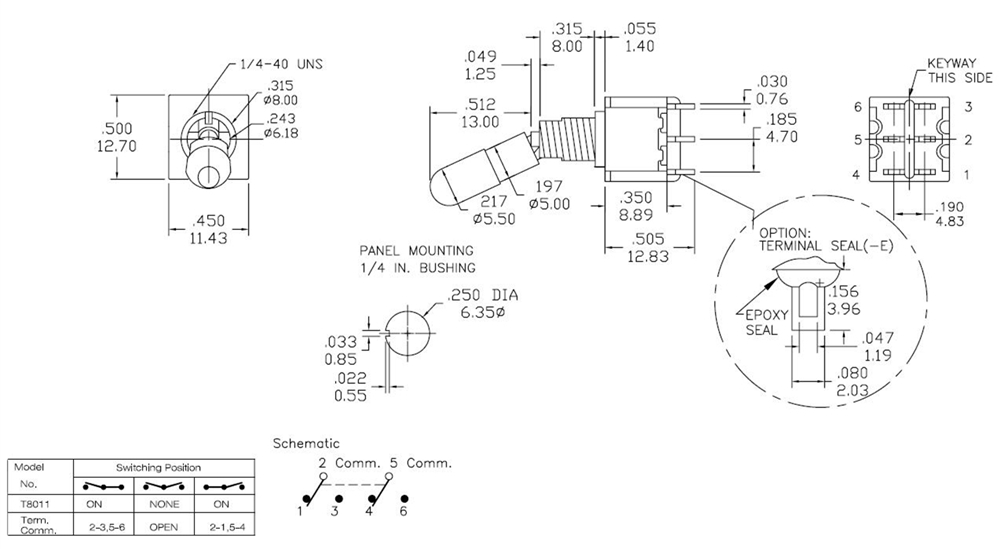
Switch A Levetta Rosso 10Pcs SH T8011 Lever 6Pin ON-ON 2-Position DPDT Toggle Switch 1 Control Solo Link Nuovo: Oggetto nuovo, non usato, non aperto, non danneggiato, nella confezione originale (ove la confezione sia prevista). La confezione deve essere la stessa che si può trovare in negozio, a meno che l'oggetto non sia stato confezionato dal produttore in una confezione anonima, come una busta di plastica o una scatola senza stampa. Interruttore a levetta On-On DPDT con terminali Foro passante ; Dimensione forature pannello, 6.35mm ; Resistenza dei contatti, 10m ; Minima temperatura operativa... Condizione. Nuovo ; Quantità. 86 venduti. 6 disponibili ; Numero oggetto. 173374683276 ; Country of Origin. China ; Maximum Amperage. 5A... Per ulteriori dettagli vedi l'inserzione., Maximum Amperage: 5A, Color: Red Switch Style: Toggle/Joystick, Brand: Salecom, Operation Method: ON-ON, Current Type: AC/DC Country/Region of Manufacture: China Interruttore a levetta dpdt verticale on-onCaratteristiche e scheda tecnica
Caratteristiche principali
- EAN2043652477088
Recensioni
2026-02-03 | isnqrea


















