Manuale Di Riparazione Riduttore Stihl 4182 640 0152
Disponibile
Disponibile
€ 9
AGGIUNGI AL CARRELLO
Consegna
- Corriere espressoda mercoledì 4 febbraioGRATIS
Venduto e spedito da ePRICE

Altri 18 venditori a partire da € 10
- Informazioni legali
- Ne hai uno da vendere?
- 474599
- 33377341915
Pensati per Te
Prodotti simili
Descrizione
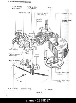
Per maggiori dettagli, consulta l'inserzione del venditore., Brand: Hamilton, Type: Manual, MPN: Does Not Apply, Year Manufactured: 2010-Now Manuale Riparazione Hamilton Modello 21 Manuale Di Riparazione Riduttore Stihl 4182 640 0152 Bulova President Orologio Hamilton Khaki Field H69529133 | Franco Cuomo Gioielli Country/Region of Manufacture: United States, UPC: Does not apply Per ulteriori informazioni su come utilizzare correttamente il tuo orologio Hamilton, consulta il manuale dell'utente incluso con il tuo acquisto. Puoi anche trovare una guida rapida all'avvio o un manuale di prodotto sul sito web ufficiale di Hamilton A Silverstone, Max torna a parlare della battaglia con Norris, del chiarimento avuto e della filosofia di corsa alla ricerca delle zone...Caratteristiche e scheda tecnica
Caratteristiche principali
- EAN3117165489223
Recensioni
2026-02-02 | mg9ajpg















