Tagli Per Capelli Ricci Estate 2023: Il Mullet Per Tutte Le Lunghezze
Disponibile
Disponibile
€ 13
AGGIUNGI AL CARRELLO
Consegna
- Corriere espressoda venerdì 13 marzoGRATIS
Venduto e spedito da ePRICE

Altri 13 venditori a partire da € 15
- Informazioni legali
- Ne hai uno da vendere?
- 490204
- 50803922769
Pensati per Te
Prodotti simili
Descrizione
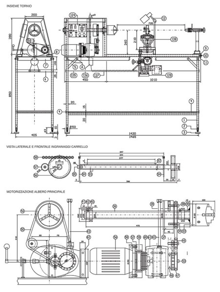
Overall Length:: 283mm (11-1/8) Barra Precisione Tornio 5 Micron Tagli Per Capelli Ricci Estate 2023: Il Mullet Per Tutte Le Lunghezze Barra 2MT2 Per ulteriori dettagli vedi l'inserzione. Treated Material: Alloy steel, MaximuM Runout:: 0., 0002” / 5 Microns Nuovo di zecca!! Produzione: India Si prega di leggerlo prima di acquistare: Se l'articolo non viene consegnato entro 30 giorni o se viene consegnato in condizioni danneggiate, contattami e ti rimborserò completamente il pagamento oppure posso inviarti un nuovo articolo Barra di prova di allineamento per tornio MT2 lunghezza 283 mm - (11-1/8)... EUR 71... Tornio Da Barra Biglia B42/S2M | Torni cnc con caricamento da barra | Tornitura | Macchine Material:: EN31 Alloy Steel, MPN: Does Not ApplyCaratteristiche e scheda tecnica
Caratteristiche principali
- EAN5572814110824
Recensioni
2026-03-07 | zrh5w73















