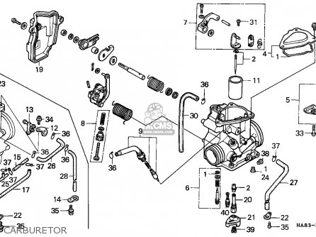
Honda TRX250 FOURTRAX 250 1987 (H) USA Listes De Pièces Et Schémas
Disponibile
Disponibile
€ 5
AGGIUNGI AL CARRELLO
Consegna
- Corriere espressoda lunedì 23 febbraioGRATIS
Venduto e spedito da ePRICE

Altri 23 venditori a partire da € 6
- Informazioni legali
- Ne hai uno da vendere?
- 701434
- 96737843082
Pensati per Te
Prodotti simili
Descrizione
Manufacturer Part Number: TG3416GT159LV, Brand: Caltric Honda TRX250 TRX300 TRX350 Valve Tappet Cover O-ring Gasket OEM # 12392-HC4-005 | CC02557 | United States Telo Coprimoto Kawasaki Honda TRX250 FOURTRAX 250 1987 (H) USA Listes De Pièces Et Schémas Guarnizione Per Honda Fourtrax 250 Honda TRX 250 300 FW FOURTRAX 1985 - 2000 Clutch Cover Gasket - UK Made EUR 10,96 NuovoCaratteristiche e scheda tecnica
Caratteristiche principali
- EAN7762032173598
Recensioni
2026-02-19 | 4di6u4j


















