Valvola A 2 Vie Con Telecomando / 12 / 24 V Solo 699,95 € | SVB
Disponibile
Disponibile
€ 101
AGGIUNGI AL CARRELLO
Consegna
- Corriere espressoda lunedì 23 febbraioGRATIS
Venduto e spedito da ePRICE

Altri 13 venditori a partire da € 100
- Informazioni legali
- Ne hai uno da vendere?
- 962809
- 90201773217
Pensati per Te
Prodotti simili
Descrizione
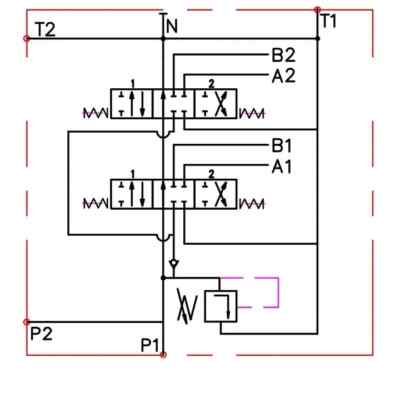
Telecomando Rolling Code Valvola A 2 Vie Con Telecomando / 12 / 24 V Solo 699,95 € | SVB Valvola 2 Banchi 3 Sezioni 11 Gpm La confezione deve essere la stessa che si può trovare in negozio, a meno che l'oggetto non sia stato confezionato dal produttore in una confezione anonima, come una busta di plastica o una scatola senza stampa. La valvola idraulica 40lp/11gp della bobina di controllo 2 della leva di coando cabla la leva di coando Kit che consente l'apertura o la chiusura del collettore di scarico. Chiudere il collettore abbatte istantaneamente il volume in DECIBEL dello scarico. Kit composto da valvola di apertura/chiusura scarico, centralina, tubo in silicone flessibile e telecomando. Ogni prodotto è originale e garantito. Vedi i dettagli Maximum Flow Rate: 12 gpm, Spool Count: 2-Spool, Valve Operation: Manual Nuovo: Oggetto nuovo, non usato, non aperto, non danneggiato, nella confezione originale (ove la confezione sia prevista). VALVOLA X TERMOSIFONE A SQUADRO 3/8 TERMOSTATICA RBM X TUBO RAME...Caratteristiche e scheda tecnica
Caratteristiche principali
- EAN8672048580787
Recensioni
2026-02-19 | 4cv12yi

















